Serratura Doppia Mappa CISA per Fasce (17353) – Entrata 90 mm
Versatilità e sicurezza per infissi in alluminio e metallo.
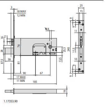
La CISA 17353 è una serratura da infilo a doppia mappa progettata specificamente per l’installazione su fasce. Grazie alla sua struttura compatta (altezza scatola 78 mm) e alla predisposizione per il funzionamento elettrico a 12V, rappresenta il perfetto equilibrio tra la sicurezza meccanica tradizionale e la comodità dell’apertura a distanza.
🛡️ Caratteristiche Principali
-
Sicurezza Evoluta: Dotata di piastra antiscasso interna e scrocco autobloccante, che impedisce l’arretramento forzato dello scrocco a porta chiusa.
-
Controllo Accessi: Include la funzione di fermo a giorno, ideale per locali ad alta affluenza dove si desidera mantenere la porta aperta in determinati orari.
-
Flessibilità Elettrica: Funziona a 12V (1,7A), permettendo lo sblocco tramite citofono o pulsante, pur mantenendo la massima affidabilità meccanica.
-
Design Ambidestro: Lo scrocco e il pistone sono reversibili e regolabili, rendendo la serratura universale per qualsiasi senso di apertura.
⚙️ Specifiche Tecniche
| Parametro | Dettaglio |
| Entrata (E) | 90 mm |
| Altezza Scatola | 78 mm |
| Alimentazione | 12V ca |
| Chiusura | Scatola e frontale zincati, catenaccio e scrocco nichelati |
| Intercambiabilità | Compatibile con le versioni meccaniche della stessa serie |
📦 Contenuto della Confezione
-
2 chiavi a doppia mappa.
-
Coppia di borchie interne in acciaio (Art. 1.06124.02.0).
-
Foglio istruzioni per il montaggio.


