Serratura CISA per Fasce H44 – Art. 44160.60.0 (Ambidestra)
La particolarità dell’Art. 44160 rispetto ai modelli precedenti è la presenza del rullo regolabile con catenaccio incorporato. Invece dello scrocco a molla, questa serratura utilizza un rullo che permette l’apertura della porta semplicemente tirando o spingendo (se la serratura non è mandata a chiave), rendendola ideale per varchi con maniglione fisso o in situazioni di alto passaggio dove serve una chiusura meno rigida dello scrocco.
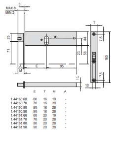
⚙️ Caratteristiche Tecniche
-
Configurazione: Mano Ambidestra. Il sistema a rullo elimina la necessità di invertire il senso di chiusura.
-
Misure Meccaniche:
-
Entrata: 60 mm.
-
Frontale: 16 mm (rivestimento in zinco).
-
Altezza Scatola: 44 mm (Serie ultra-compatta H44).
-
-
Meccanismo di Chiusura:
-
Rullo Regolabile con Catenaccio Incorporato: Il rullo in ottone può essere regolato in sporgenza per adattarsi alla contropiastra; quando si gira la chiave, il rullo si blocca fungendo da catenaccio.
-
Mandate: 1 mandata meccanica.
-
-
Materiali: Scatola e frontale con protezione zincata; componenti di chiusura in ottone massiccio.
🛡️ Dotazione e Note
-
Cilindro: Da ordinare a parte (profilo europeo).
-
Inclusi: Vite di fissaggio per il cilindro e foglio istruzioni tecniche.



