Kit Quadrato in Zama D. 48 per Porte Scorrevoli
Kit completo per porte scorrevoli con design a forma quadrata, studiato per garantire funzionalità, resistenza e un’estetica moderna. Ideale per applicazioni residenziali e contract, si integra perfettamente in ambienti contemporanei.
Il kit è realizzato in zama, lega metallica ad alta resistenza che assicura durabilità nel tempo, precisione nelle lavorazioni e ottima resa estetica delle finiture.
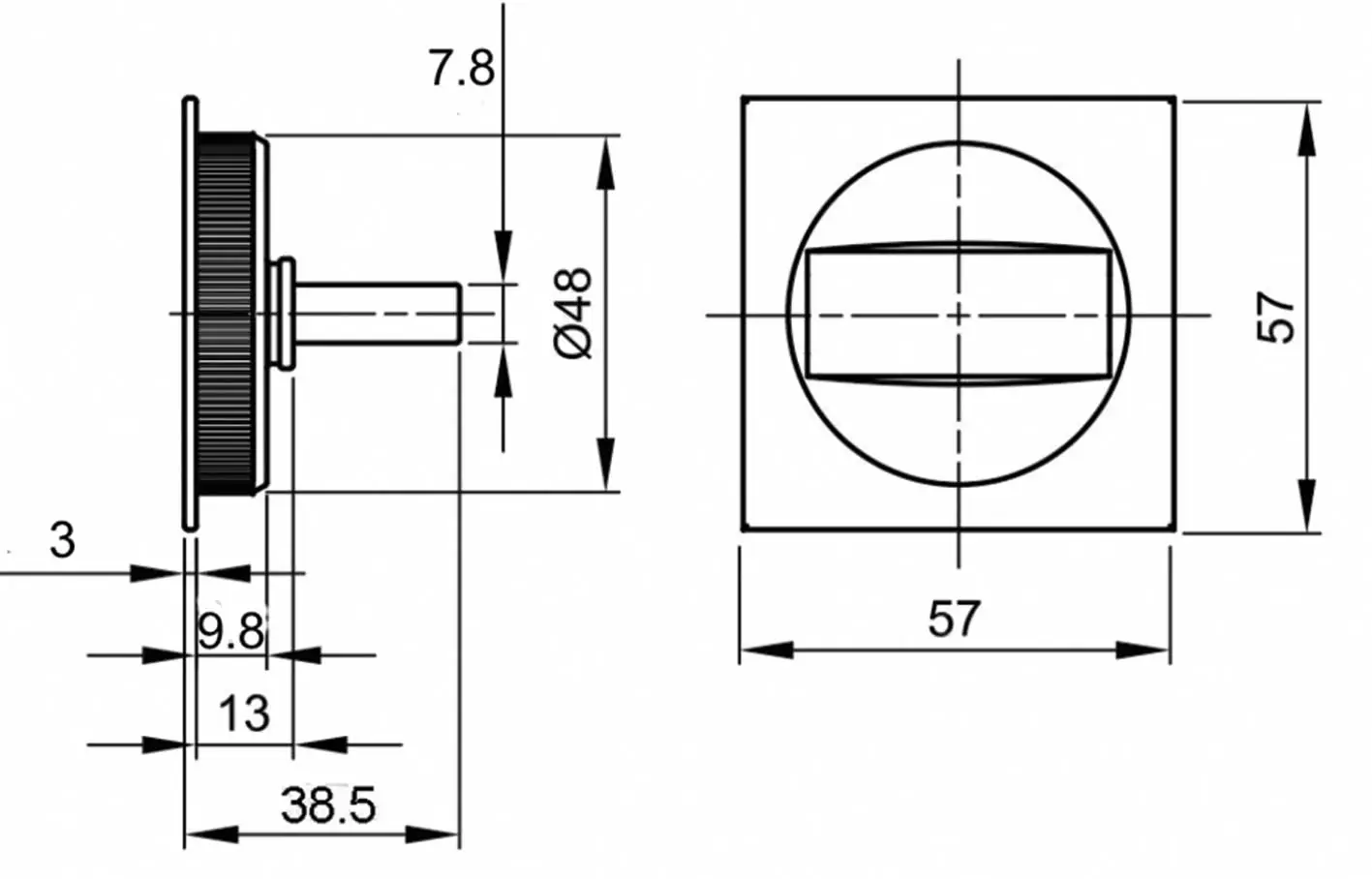
È dotato di maniglie in zama ergonomiche e robuste, abbinate a scrocco ad uncino, soluzione specifica per porte scorrevoli che garantisce una chiusura sicura e affidabile.
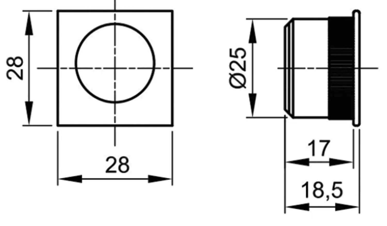
L’innesto maniglia con diametro 48 mm (D.48) rende il kit compatibile con i principali sistemi per porte scorrevoli presenti sul mercato.
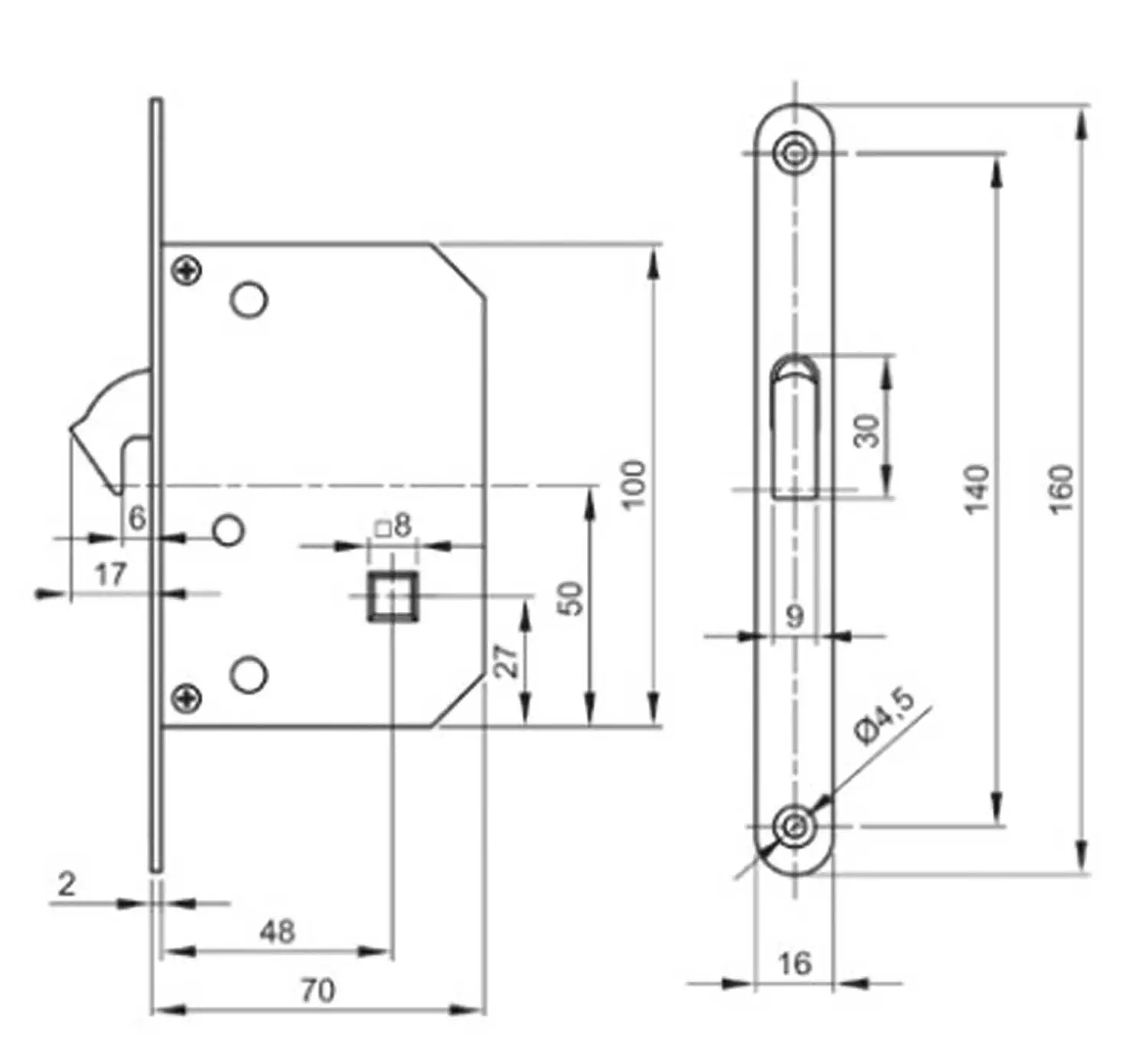
Le misure complete e dettagliate del prodotto sono consultabili nell’immagine tecnica di riferimento.
Caratteristiche tecniche principali:
-
Tipologia: Kit per porte scorrevoli
-
Forma: Quadrata
-
Materiale: Zama
-
Maniglie: In zama
-
Sistema di chiusura: Scrocco ad uncino
-
Diametro innesto maniglia: Ø 48 mm
-
Applicazione: Porte scorrevoli interne
Finiture disponibili:
-
Cromo lucido
-
Cromo satinato
-
Nero
Prodotto che unisce qualità costruttiva, affidabilità meccanica e cura del design, ideale per valorizzare porte scorrevoli in contesti moderni ed eleganti.






