Cilindro CISA Asix 35/35 – Prestazioni e Dettagli Costruttivi
📐 Analisi Dimensionale (Simmetria Allungata)
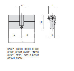
Questo modello è progettato per porte dove la serratura è installata esattamente al centro dello spessore, ma che richiedono più dei canonici 60 mm totali:
-
Dimensione Commerciale 35/35: Identifica i due segmenti uguali del cilindro.
-
Lunghezza Totale (L): 69,0 mm.
-
Misure Reali (A e B): 34,5 mm per lato. Questo spazio extra rispetto al modello 30/30 permette al cilindro di fuoriuscire correttamente da pannelli porta più generosi o di alloggiarsi perfettamente all’interno di mostrine decorative spesse.
🛡️ Architettura della Sicurezza (6 Perni)
La serie Asix non scende a compromessi sulla meccanica interna, offrendo una protezione superiore ai modelli entry-level:
-
Cifratura a 6 Perni: L’utilizzo di sei perni attivi aumenta drasticamente il numero di combinazioni possibili, elevando la sicurezza contro la duplicazione non autorizzata.
-
Scudo Anti-Trapano: In prima posizione, sia i perni che i controperni sono realizzati in acciaio carbonitrurato. Questa scelta tecnica serve a “respingere” la punta del trapano, impedendo l’accesso al cuore della cifratura.
-
Dispositivo Anti-Picking: I controperni in ottone con sagomatura “a fungo” generano resistenze artificiali in caso di manipolazione, bloccando il rotore se si tenta di utilizzare attrezzi da scasso manuali.
🔑 Ergonomia e Versatilità della Chiave
-
Chiave Piatta Reversibile: Grazie al design simmetrico della chiave, non esiste un verso di inserimento sbagliato. È l’ideale per un uso rapido e senza stress.
-
Compatibilità Defender: Il collo lungo della chiave è una specifica fondamentale: permette alla chiave di raggiungere il cilindro anche se questo è protetto da una corazza esterna (Defender) o da borchie di sicurezza molto spesse.
-
Materiali di Qualità: Le chiavi sono in ottone nichelato per resistere all’usura, mentre la camma DIN è in acciaio sinterizzato autolubrificante per garantire una rotazione sempre dolce.
📋 Scheda Tecnica Riassuntiva
| Caratteristica | Specifiche Tecniche |
| Codice Prodotto | 0E300-13-0 |
| Misure (A/B) | 34,5 mm / 34,5 mm (Totale 69,0 mm) |
| Sistema di cifratura | 6 perni in linea |
| Materiale Corpo | Ottone smerigliato (Finitura 00) |
| Normativa EN 1303 | Durata: Grado 6 (max) – Sicurezza Chiave: Grado 5 |
| Certificazione Attack | Grado 0 (consigliato l’uso di Defender) |
| Dotazione | 3 chiavi reversibili + vite di fissaggio |



