Cilindro CISA Asix 30/30 – Analisi Tecnica Dettagliata
📐 Geometria e Dimensioni (Simmetria Perfetta)
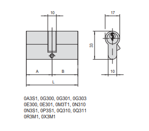
Questo modello è progettato per porte con installazione centrata della serratura:
-
Dimensione Commerciale 30/30: È la misura standard universale.
-
Lunghezza Totale (L): 59,0 mm.
-
Misure dei Lobi (A e B): 29,5 mm per lato, misurati dal centro del foro della vite di fissaggio. Questa frazione di millimetro (0,5 mm) è dovuta allo spessore della camma centrale, garantendo una precisione millimetrica nell’installazione.
🛡️ Sicurezza Meccanica a 6 Perni
A differenza dei cilindri economici a 5 perni, l’Asix eleva lo standard di sicurezza:
-
Sistema a 6 Perni: Un maggior numero di perni significa una complessità di cifratura superiore, rendendo molto più difficile la duplicazione illecita e la manipolazione.
-
Materiali Anti-Intrusione: * Il primo perno e il primo controperno sono in acciaio carbonitrurato, posizionati strategicamente per deviare le punte del trapano.
-
I controperni in ottone hanno un profilo “a fungo”, studiato per incastrarsi e bloccarsi se si tenta di utilizzare un grimaldello (tecnica del picking).
-
-
Affidabilità Esterna: Le molle in bronzo fosforoso garantiscono che la tensione sui perni rimanga costante negli anni, evitando inceppamenti dovuti all’ossidazione o ai depositi di sporco.
🔑 Comfort e Chiave Reversibile
La chiave Asix è progettata per semplificare la vita dell’utente:
-
Inserimento Reversibile: Non ha un verso predefinito. Puoi inserirla nel cilindro in orizzontale in entrambi i modi, eliminando la frustrazione di doverla orientare correttamente al buio.
-
Collo Lungo: La parte tra l’impugnatura e la mappa della chiave è allungata per permettere l’utilizzo di Defender (borchie di protezione) anche molto spessi, tipici delle porte blindate di alta gamma.
-
Camma Autolubrificante: La camma DIN sporgente è realizzata in acciaio sinterizzato, un materiale che trattiene microscopiche particelle di lubrificante, garantendo una rotazione fluida della chiave senza sforzo.
📋 Scheda Tecnica Riassuntiva
| Caratteristica | Specifiche |
| Codice Prodotto | 0E300-07-0.00 |
| Misure (A/B) | 29,5 mm / 29,5 mm (Totale 59,0 mm) |
| Sistema di cifratura | 6 perni in linea |
| Materiale Corpo | Ottone smerigliato (Fin. 00) |
| Normativa EN 1303 | Durata: Grado 6 (max) – Sicurezza Chiave: Grado 5 |
| Dotazione | 3 chiavi + vite di fissaggio |



